ZJX-3A剪斷銷信號裝置_工作原理_裝置用途
差動、重合閘、絕緣監視及其他繼電器系列
ZJX-3A型剪斷銷信號裝置用途
ZJX-3A型剪斷銷信號裝置用于水輪發電機組自動化系統中,當水輪機某個剪斷銷剪斷時,其中信號器銷體及導線同時被剪斷,本裝置動作,使信號系統發出剪斷信號。
ZJX-3A型剪斷銷信號裝置工作原理

裝置由變壓器、整流橋、小型密封電磁繼電器、電容器、電阻器、發光二極管組成。
當端子①、②接入交流220V、50Hz電源時,電磁繼電器K1動作,由K1給出回路運行正常信號,電磁繼電器K2被所有串聯起來的剪斷銷所短接, K2不動。當與端子③、④聯接的所有水率合機的剪斷銷有任何一個(或多個)折斷時,則電磁繼電器K2動作,從而發出控制信號。
當交流母線或廠用交流電停電時,發光二極管發出指示信號。
ZJX-3A型剪斷銷信號裝置技術要求
1、額定電壓:a、額定交流電壓220V、50Hz ; b、額定直流電壓220V、110V、48V。
2、動作值裝置的動作電壓不超過85%額定電壓。
3、動作時間:在額定電壓下,裝置動作時間不大于30ms。
4、功率消耗:在額定電壓下,功率消耗不大于5VA。
5、線圈溫升:當周圍環境為40°C時,裝置線圈應能長期承受1.1信額定電壓,其溫升不超過65°C。
6、觸點斷開容量:在直流有感(t=5ms)回路, U≤220V, I≤0.4A為30W。
7、介質強度:裝管所有電路對外殼之間及非帶電金屬部分之間的絕線應能耐受2kV(有效值) , 50Hz的交流試驗電壓,歷時1min,而無絕緣擊穿或閃絡現象。
8、壽命:機械壽命為104次;電壽命為103次。
ZJX-3A型剪斷銷信號裝置調試方法
1、 使用前應對裝置進行外觀檢査。
2、將端子①、②接交流220V、50Hz電源,端子③、④短接,電磁繼電器K1動作,K2不動。斷開③、④端子,電磁繼電器K2動作,檢査動作電壓,其值應不大于85%額定電壓。
3、將端子⑨、⑩接直流電源,發光二極管不應顯示,斷開交流電源時,發光二極管發光指示。
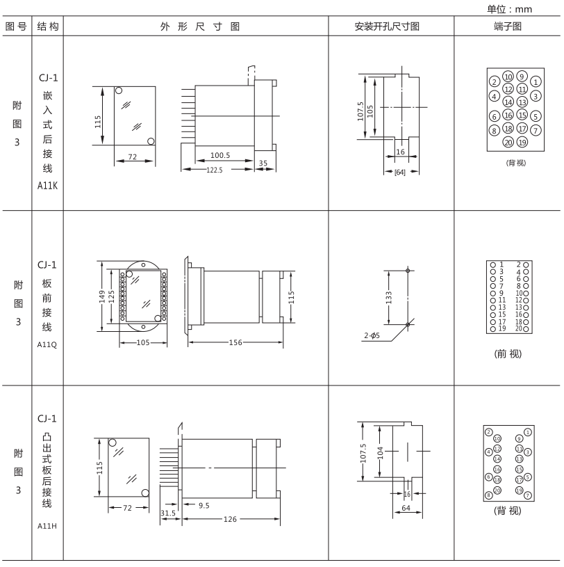
ZJX-3A型剪斷銷信號裝置外形結構及安裝開孔尺寸



打印當前頁
發郵件給我們: 1932551438@qq.com
手機: 18930817953




