DS-20系列時間繼電器-上海上繼科技有限公司
發表時間:2019-04-01 15:13 瀏覽次數:1611 〖返回〗DS-20系列時間繼電器

一、應用范圍
DS-20系列時間繼電器作為輔助元件用于各種保護和自動控制線路中,使被控元件的動作得到可調節的延時。繼電器DS-21~24是短時帶電的時間繼電器;DS-21/C~20/C是長期帶電的時間繼電器(帶外附電阻);DS25~28是交流時間繼電器。該繼電器具有一付瞬動轉換觸點,一付滑動延時主觸點和一付終止延時主觸點。
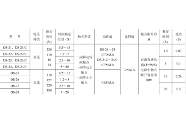
二、主要技術數據

注:1、型號后帶“C”者線圈可以長期耐受110%額定電壓,其他則耐受110%額定電壓1.5—2分鐘,溫升仍在允許范圍內。
動作時間變差系指在同一整定點上,測量10次**與最小動作時間之差,繼電器主觸點延時整定值誤差應符合下表規定:

三、正常使用條件
1、海拔高度不超過2000米;
2、周圍**變化范圍為-25℃到+40℃;
3、最濕度的月平均**相對濕度為90%,同時該月的月平均**溫度為25℃;
4、與垂直面的安裝傾斜度不超過5°;
5、無顯著搖擺和沖擊振的地方;
6、在無爆炸危險的介質中,且無腐蝕金屬和破壞絕緣的氣體與塵埃;
7、在沒有雨雪侵襲的地方;
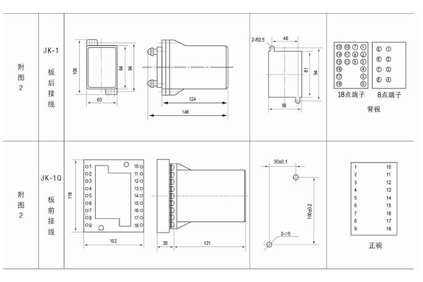
四、內部接線及外引接線圖(背視圖)

五、外形及開孔尺寸
DS-20采用JK-1殼體

上海上繼科技有限公司(專注電力保護繼電器生產廠家)銷售熱線:021-57233089 QQ:1932551438
{以上內容僅供參考,上海上繼科技有限公司有最終解釋權}
更多繼電器精彩文章——淺談繼電器的最新應用領域
- 上一篇:電壓繼電器
- 下一篇:RXMA1?型中間繼電器結構特點與技術參數





