SSJ2-10A交流斷電延時繼電器命名含義及工作原理-上海上繼科技有限公司
發表時間:2019-07-20 10:23 瀏覽次數:914 〖返回〗
一、SSJ2-10A交流斷電延時繼電器概述
SSJ2-10A交流斷電延時繼電器適用于交流操作的繼電保護盒自動化電路中,作為交流瞬時動作斷電后延時返回的時間元件。該繼電器采用集成電路原理,具有精度高、延時整定直觀方便等優點, SSJ2-10A完全可替代老型電磁式DSJ-10系列時間繼電器。
二、SSJ2-10A交流斷電延時繼電器型號命名及含義

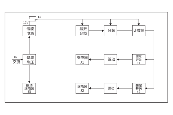
三、SSJ2-10A交流斷電延時繼電器工作原理

由圖可見 ,繼電器由晶體振蕩器、分頻器、計數器、整定開關、驅動電路和電源回路等組成。當繼電器施加額定電壓時,繼電器內部瞬動繼電器J3和終止型延時執行繼電器J2瞬時動作,觸點切換,并使電源回路與計時回路斷開,因此計時回路處于電狀態, 一提高繼電器抗干擾性能。當輸入電壓大大降低或完全消失時, 瞬動繼電器J3瞬時返回, 單一終止型延時執行繼電器J2仍保持動作狀態, J3觸點也瞬時返回,使儲能電壓接通計時回路,晶體振蕩器產生時鐘脈沖,經分頻后得到10ms計時脈沖,計數器對計時脈沖計數,當所計時脈沖數與整定開關值符合延時t1時,驅動執行繼電器J1動作,動作一定時間后,自動斷開,實現滑動觸點功能a當脈沖數與整定開關符合延時t2時,驅動執行繼電器J1動作,動作一定時間后,自動斷開,實現滑動觸點功能。當脈沖數與整定開關符合延時t2時,驅動執行繼電器J2返回完成終止觸點功能。
四、SSJ2-10A交流斷電延時繼電器技術數據
4.1 額定電壓:交流100V, 110V, 220V, 380。
4.2 額定頻率: 50Hz。
4.3 繼電器動作電壓不大于70%額定電壓。
4.4 繼電器返回的電壓不小于10%額定電壓。
4.5 在額定電壓下繼電器滑過觸點J1和終止觸點J2的延時平均誤差絕對值,在整定范圍內不高過0.1%整定值+10ms。
4.6 在額定電壓下繼電器斷電延時的一致性絕對值不超過0.1 %整定值+10ms。
4.7 兩付延時觸點J1和J2可各自獨立整定,時間整定范圍均為0.02s~9.99s,而延時整定值可以不同或相同。
4.8 在額定電壓下繼電器消耗的功率不大于5VA。
4.9 繼電器允許長期承受110%額定電壓。
4.10繼電器在電壓不大于250V,電流不大于1A(時間常數為5ms±0.75ms)在直流有感負荷電路中,觸點斷開容量為30W。在
電壓不大于250V,電流不大于1A,功率因素cos(l)=0.4±0.1的交流電路中,觸點斷開容量為50VA。長期允許通電電流為5A。
4.11絕緣電阻
繼電器各電路與外露的非帶電金屬部分之間,以及在電氣上無聯系的各電路之間,用開路電壓為500V的測
試儀器測量,其絕緣電阻值應不小于300M0。
4.12介質強度
繼電器各電路與外露的非帶電金屬部分之間,以及在電氣上無聯系的各電路之間,應能承受有效值2kV,頻率為50Hz的交流
試驗電壓歷時1min試驗,而無絕緣擊穿或閃絡現象。
4. 13 繼電器能在-10°C~+40°C溫度范圍內可靠工作。
4.14繼電器機械壽命不低于105次,電壽命不低于104次。
4.15繼電器重量:約0.5kg。
五、SSJ2-10A交流斷電延時繼電器使用說明
繼電器面板圖如圖2所示 ,圖中上部三位數字開關整定滑觸點的執行繼電器J1的延時時間t1 ,開關的三位數字乘以級差0.01s即為時間整定值。例如三位數字置數位580,則時間整定值=580x0.01s=5.8s。

繼電器的內部及端子接線圖如圖3所示。圖中觸點為繼電器失電后的狀態, 當端子⑦和⑧加上額定交流電壓時(SSJ2-10B加在端子④和⑧上) .瞬時觸點J3瞬時閉合和終止觸點J2瞬時斷開的狀態瞬時改變.滑過觸點J1仍保持斷開。當起⑦和⑧( SSJ2-10B端子⑤和⑧上)所加電壓突然斷電(失壓)時,瞬動觸點J3立即返回(斷開) ,滑過觸點J1在斷電后延時t1后動作(閉合) ,動作后又自動斷開。終止觸點J2在斷開后延時t2才返回(閉合) .返回后觸點狀態如圖3所示。 t1和t2按上訴方法用數字開關整定. t1可以等于t2, 也可以不相等。
繼電器施加額定電壓正常運行時,電源指示燈亮(綠) ,動作燈不亮,當繼電器失電后,電源指示燈滅。當斷電后延時t1 ,觸點劃過時動作燈(紅)閃亮,斷電延時t2后,動作燈常亮,直至電源儲能耗盡才熄滅。根據用戶要求SSJ2-10型繼電器也可提供與圖示相反的觸點,即動合改為動斷,動斷改為合。
六、SSJ2-10A交流斷電延時繼電器外形及開孔尺寸

上海上繼科技有限公司(專注電力保護繼電器生產廠家)銷售熱線:021-57233089 QQ:1932551438
(以上內容僅供參考,上海上繼科技有限公司有最終解釋權}
更多繼電器精彩文章→DY-38/Z電壓繼電器安裝尺寸及技術數據





