DJ-112電壓繼電器參數及開孔尺寸-上海上繼科技有限公司
發表時間:2019-07-20 08:52 瀏覽次數:1157 〖返回〗
一、DJ-112電壓繼電器的介紹
電壓繼電器是輸入量、特性量為電壓的量度繼電器,分為過電壓繼電器和欠電壓繼電器。前者由于電壓值增加達到整定值而動作,然后處于動后狀態;后者由于電壓值減少達到整定值而動作,然后處于釋放狀態。
二、DJ-112電壓繼電器的參數

動作時間:過電壓繼電器在1.1倍實測動作值時,動作時間不大于0.12s;低電壓繼電器在0.5倍實測動作值時,動作時間不大于0.15s;
觸點容量:在電壓不超過250V,電流不超過5A,時間常數為5 ±0.75ms的直流有感負荷電路中,產品輸出觸點的斷開容量為50W。輸出觸點在上述規定的負荷條件下,產品能可靠動作及返回5×104次。輸出觸點長期允許接通電流為5A。
介質強度:產品各導電端子連在一起,對外露的非帶電金屬部分或外殼之間,能承受2000V(有效值)50Hz交流電壓歷時1分鐘試驗而 無絕緣擊穿或閃絡現象。
三、DJ-112電壓繼電器的動作可靠性
a. 在動作電壓或返回電壓下,繼電器動作過程中的可動系統不應停滯在中間位置。
b. 當對線圈突然施加1.75倍的整定電壓激勵量時,其動合觸點應無抖動地閉合。
c. 當無外來碰撞和振動,繼電器的整定值整定在銘牌中部(或大于中部整定值)時,過電壓繼電器激勵量為整定電壓的0.6倍,繼電器的動斷觸點應可靠地閉合,動合觸點應可靠地斷開;低電壓繼電器激勵量不低于整定電壓的1.5倍,繼電器的動斷觸點應可靠地斷開,在0.6倍的整定電壓(或更低)時,繼電器的動斷觸點應可靠地閉合。
四、DJ-112電壓繼電器的絕緣性能
a. 絕緣電阻不小于300MΩ。
b. 介質強度
繼電器各導電電路連在一起與外露的非帶電金屬部分及外殼之間,能承受2kV(有效值)、50Hz的交流電壓歷時1min的試驗,而無絕緣擊穿或閃絡現象。
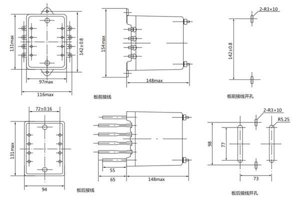
五、DJ-112電壓繼電器的開孔尺寸

公司介紹:
上海上繼科技有限公司是一家專業從事電力系統繼電保護及智能電網電力自動化產品的研發、設計、生產、銷售和服務為一體的高科技公司。
公司依托國際大都市上海的優越環境,擁有資深繼電保護專家團隊,熟悉中國電網實際運行特點,聯合國內外**高校不斷引進國內外先進技術,積極響應市場的需求,技術不斷創新,堅持行業**地位,主要生產電力繼電器及微機綜合保護裝置,電力智能配電設備,變電站自動化監控系統。產品廣泛用于電力、工礦、鐵路、建筑等國家重大工程輸配變電系統上,產品遠銷東南亞及中東地區。
公司具備國內**的檢測儀器及校驗設備,建立了模擬運行老化系統,以精湛的技術嚴格的生產制造工藝,健全的生產管理體系,精耕細作,精益求精。產品通過國家繼電保護及自動化設備質量監督檢驗中心檢測,獲得ISO-9001:2000國際質量體系認證。
“科技創新,誠信務實”是公司的經營理念,上繼科技以售前技術支持,售后完善服務,在電力系統中樹立了良好的聲譽,深受各大設計院的認可,贏得輸配電成套企業的信賴。上繼科技本著對社會,對用戶高度的責任感,堅持走專業化道路,繼續創新超越,為我國智能電網電力自動化做出更大的貢獻!
上海上繼科技有限公司(專注電力保護繼電器生產廠家)銷售熱線:021-57233089 QQ:1932551438
{以上內容僅供參考,上海上繼科技有限公司有最終解釋權}
更多繼電器精彩文章——DY-29D電壓繼電器技術數據及安裝尺寸
- 上一篇:DJ-111電壓繼電器參數及接線圖
- 下一篇:DJ-121電壓繼電器接線圖及開孔尺寸





