JL-B/42電流繼電器技術數據及開孔尺寸-上海上繼科技有限公司
發表時間:2019-08-07 13:34 瀏覽次數:725 〖返回〗
一、JL-B/42電流繼電器的簡介
電流繼電器是電力系統繼電保護中最常用的元件。電流繼電器具有接線簡單、動作迅速可靠、維護方便、使用壽命長等優點,作為保護元件廣泛應用于電動機、變壓器和輸電線路的過載和短路的繼電保護線路中。電流繼電器的檢測對象是電路或主要電器部件電流的變化情況,當電流超過(或低于)某一整定值時,繼電器動作,完成繼電器控制及保護作用。
二、JL-B/42電流繼電器的接線圖

三、JL-B/42電流繼電器的技術數據
1 整定范圍 0.02~9.99A,級差為0.001A 2-99.9A,級差0.1A
其它值可按用戶要求定制
2 動作時間 1.2倍整定電流,動作時間不大于25mS。
2倍整定電流,動作時間不大于20mS。
3 返回系數 過電流繼電器:0.9~0.97;欠電流繼電器:1.05~1.15。
4 整定誤差 小于2%。
5 功耗 繼電器動作,功耗小于5W,繼電器不動作,功耗小于4W。
6 觸點容量 在電壓不大于250V時,觸點連續接通電流為5A;
在電壓不大于250V時,電路時間常數L/R為5mS的直流電路中,可斷開30W。
在電壓不大于250V時,功率因數COSΦ為0.4的交流電路中,可分斷200VA。
7 觸點壽命 電壽命:105次, 機械壽命:106次。
8 絕緣電阻 繼電器各導電端子連在一起,對外露非帶電金屬部分或外殼之間,用開路電壓為500V的兆歐表測量其絕緣電阻不 小于300MΩ。
9 介質強度 繼電器各帶電端子連在一起,對外露飛帶電端子或外殼之間能承受有效值為2000V,50Hz的交流電壓,歷時1分鐘 而不擊穿,不出現閃絡現象。
10 抗干擾性能 繼電器的抗干擾負荷DL478-92《靜態繼電保護及安全自動裝置通用技術條件》 。
四、JL-B/42電流繼電器的工作條件
1 環境溫度:-10℃~+50℃
2 相對濕度:≤90%
3 大氣壓力:80Kpa~110Kpa
4 安裝位置:任意
5 周圍環境:繼電器不受太陽直射,不受雨水沖洗,空氣中不含導致金屬腐蝕或絕緣損壞的氣體或塵露,繼電器在工作時,不允 許振動,搬運過程不允許撞擊。
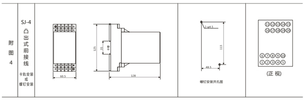
五、JL-B/42電流繼電器的開孔尺寸

公司介紹:上海上繼科技有限公司是一家專業從事電力系統繼電保護及智能電網電力自動化產品的研發、設計、生產、銷售和服務為一體的高科技公司。擁有資深繼電保護專家團隊和國內**的檢測儀器及校驗設備。同時還引用國內外先進技術,來進行技術創新。本公司的產品廣泛用于電力、工礦、鐵路、建筑等國家重大工程輸配變電系統上,產品遠銷東南亞及中東地區。產品通過國家繼電保護及自動化設備質量監督檢驗中心檢測,獲得ISO-9001:2000國際質量體系認證。“科技創新,誠信務實”是公司的經營理念,本公司以高超的技術支持和對用戶高度負責的售后服務贏得了輸配電成套企業的信賴,且樹立了良好的信譽。
上海上繼科技有限公司(專注電力保護繼電器生產廠家)銷售熱線:021-57233089 QQ:1932551438
{以上內容僅供參考,上海上繼科技有限公司有最終解釋權}
更多繼電器精彩文章——JL-D/22-1電流繼電器技術數據及接線圖





