DCD-2A差動繼電器使用方法及接線圖-上海上繼科技有限公司
發表時間:2019-08-31 15:28 瀏覽次數:2033 〖返回〗
一、DCD-2A型差動繼電器使用方法
DCD-2A差動繼電器用于兩繞組或三繞組電力變壓器以及交流發電機的單相差動保護線路中,作為主保護 。
DCD-2A差動繼電器能預防在非故障狀態所出現的暫態電流的作用。例如當電力變壓器空載合閘,或在穿越性短路切除后,電壓恢復時出現很大的勵磁涌流,其瞬時值常達額定電流的5-10倍;這時差動保護不應誤動作,但發生區內短路時,卻能迅速動作切除故障。
二、DCD-2A型差動繼電器接線圖
DCD-2A結構
繼電器由具有一副動合觸點的高靈敏、高可靠性的電磁型執行機構和中間速飽和變流器組成。該執行機構為電磁型繼電器,在繼電器中被作為出口元件。
中間速飽和變流器具有短路繞組和平衡繞組,它構成差動繼電器的一些主要技術性能,如直流偏磁特性消除不平衡電流效應的字耦變流器性能。
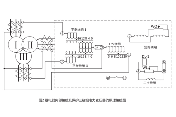
變流器的導磁體由“E”形導磁片疊裝而成,有平衡繞組和短路繞組。此外,中間柱上的短路繞組與右側邊柱上的短路繞組通過一瓷盤電位器相連接,二次繞組放在導磁體的另一側邊柱上。繞組在導磁體的分布如圖1所示。繼電器的內部接線及其保護三繞組電力變壓器的原理接線圖如圖2所示。由于具有平衡繞組,且每隔一匝有抽頭,便于調整用以消除由于電流互感器變比不一致等原因引起的不平衡電流的效應。具有兩個平衡繞組就使得繼電器能用于保護三繞組的電力變壓器。
動作電流和平衡作用可通過調整工作繞組、平衡繞組的匝數在寬廣范圍內進行整定。直流偏磁特性可通過改變繼電器口內的瓷盤電位器的阻值進行整定。
繼電器的結構形式外形及安裝尺寸及繼電器端子接線見圖6。

DCD-2A原理
繼電器的基本原理是利用非故障時暫態電流中的非周期分量來磁化變流器的導磁體,提高其飽和程度,從而構成躲過勵磁涌流及穿越性故障時不平衡電流的作用。其相應的特性曲線為直流偏磁特性曲線簇ε=f(K)。工作繞組接入保護的差動回路;平衡繞組可以技照實際需要接入環回路或工作回路。

具有短路繞組的變流器,其特點是專門利用非周期性電流來磁化導磁體,圖3表示了導磁體內部的電磁過程,當電力變壓器空載合閘時, 瞬時值很大的勵磁涌流全部流過工作繞組,涌流波形具有偏于時間軸的磁通。它們在短路線組里產生兩種不同的反應,直流磁通的作用下,導磁體迅速飽和,大大降低了導磁率,這就大大惡化了工作繞組與二次繞組間的電磁感應條件,因而顯著增大了繼電器的動作電流,這就是所謂直流偏磁作用。
當穿越性短路,短路電流中含有非周期分量電流時,也產生同樣的作用,因而也能防止當穿越性短路切除后、電壓恢復時的誤動作。繼電器的這種直流偏磁特性用圖4的曲線族=f(K)來表示。
其中:ε=Icp/Icpo,動作電流倍數,是具有直流分量時的交流動作電流與直流分量等于零時的交流電流的比值。
K=I-/Icp,偏移系數,即直流分量與相應交流動作電流的比值,它表示電流波形對時間軸的偏移程度。
上述ε=f(K)是繼電器的靜態特性,它是在工作繞組里同時通入交流與直流電流試驗取得的。直流電流是不隨時間變化的,而非周期分量電流的數值是隨時間的增長而逐漸衰減。
為產生較好的速飽和特性,變流器設計時選擇了較高的工作磁通密度Bcp,但同時為保證繼電器可靠動作所必須的容量,故規定在繼電器的動作電流為5倍起始值時,其可靠系數KH不小于1.35。
變流器的工作磁通密度是用磁性材料的重量和起始動作電壓與動作電流。動作電壓反應變流器的動作磁通密度;動作功率決定了變流器的功率分配比例,同時滿足生產上通用性要求,這種執行元件的特點在于其線圈是電感性的,在變流器飽和的情況下,二次感應電勢中含有顯著的高次諧波過濾器,因此這種執行元件便是一個很好的高次諧波濾過器,它基本上反映變流器工作磁通密度的基波。
繼電器的原理接線見圖2。

公司介紹:上海上繼科技有限公司是一家專業從事電力系統繼電保護及智能電網電力自動化產品的研發、設計、生產、銷售和服務為一體的高科技公司。擁有資深繼電保護專家團隊和國內**的檢測儀器及校驗設備。同時還引用國內外先進技術,來進行技術創新。本公司的產品廣泛用于電力、工礦、鐵路、建筑等國家重大工程輸配變電系統上,產品遠銷東南亞及中東地區。產品通過國家繼電保護及自動化設備質量監督檢驗中心檢測,獲得ISO-9001:2000國際質量體系認證。“科技創新,誠信務實”是公司的經營理念,本公司以高超的技術支持和對用戶高度負責的售后服務贏得了輸配電成套企業的信賴,且樹立了良好的信譽。
上海上繼科技有限公司(專注電力保護繼電器生產廠家)銷售熱線:021-57233089 QQ:1932551438
{以上內容僅供參考,上海上繼科技有限公司有最終解釋權}
更多繼電器精彩文章——BCH-2差動繼電器基礎要求及應用范圍





