DS-122時間繼電器應用范圍
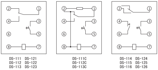
DS-122時間繼電器用于各種保護和自動控制線路中,使被控制元件的動作得到可調延時。繼電器具有一付瞬時轉換觸點和一付延時動合主觸點,對于DS-114、115、116、124、125、126型繼電器多一付延時滑動主觸點。型號末端帶“C”型屬長期工作,其線圈能長期耐受110%額定電壓(電壓應加在端子①、⑦上) ,其它型的繼電器線圈耐受110%額定電壓歷時2min。
DS-122時間繼電器主要技術數據

·動作值:直流繼電器不大于70%額定值;交流繼電器不大于85%額定值。
·返回值:不小于5%額定值。
·觸點容量:在電壓不超過250V,電流不超過5A,時間常數為5±0.75ms的直流有感負荷電路中,產品輸出觸點的斷開容量為50W。
·輸出觸點:在上述規定的負荷條件下,產品能可靠動作及返回5x104次。輸出觸點長期允許接通電流為5A。
·介質強度:產品各導電端子連在一起,對外露的非帶電金屬部分或外殼之間,能承受2000V(有效值)50Hz的交流電壓歷時1分鐘試驗而無絕緣擊穿或閃絡現象。
DS-122時間繼電器內部接線及外引接線圖(背視圖)

DS-122時間繼電器外形及開孔尺寸



時間繼電器系列
打印當前頁
發郵件給我們: 1932551438@qq.com
手機: 18930817953




