SS-23時間繼電器應用范圍
SS-23時間繼電器作為輔助元件用于各種保護及自動控制電路中 , 使被控制的元件得到所需的延時。
SS-23時間繼電器主要技術參數
·觸點形式: 1副瞬動轉換; 2副延時動合觸點。
·動作值:不大于70%額定值。
·返回值:不小于5%額定值
·整定誤差:不大于±0.5%**整定值。
·延時一致性:不大于0.2%**整定值。
·功率消耗:不大于6.6W。
·觸點容量:在電壓不超過250V,電流不超過5A,時間常數為5±0.75ms的直流有感負荷電路中,產品輸出觸點的斷開容量為50W。輸出觸點在上述規定的負荷條件下,產品能可靠動作及返回5x104次。輸出觸點長期允許接通電流為5A。
·介質強度:產品各導電端子連在一起,對外露的非帶電金屬部分或外殼之間,能承受2000V(有效值)50Hz的交流電壓歷時1分鐘試驗而無絕緣擊穿或閃絡現象。

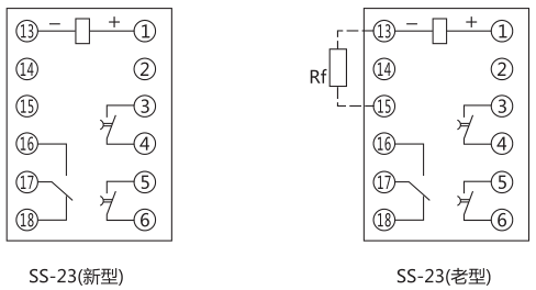
SS-23時間繼電器內部接線及外引接線圖

SS-23時間繼電器外形及開孔尺寸



時間繼電器系列
打印當前頁
發郵件給我們: 1932551438@qq.com
手機: 18930817953




