SS-61時間繼電器應用范圍
SS-61時間繼電器主要用于各種控制和繼電保護電路中 ,達到自動延時轉換電路的目的。
SS-61時間繼電器主要技術參數
·額定電壓:AC50Hz,220V、 127V、 110V、 100V;DC220V、 110V、48V、24V;
·延時整定范圍: 0.1-999.9s。
·延時級差: 0.1s。
·觸點形式:二副延時轉換。
·動作值: SS-61動作電壓不大于85%的額定電壓(交流動作) ; SS-62動作電壓不大于70%的額定電壓(直流動作)
·返回值:返回電壓不小于5%額定電壓。
·整定誤差:不大于±1%。
·動作延時一致性:不大于整定值的1%。
·功率消耗: SS-61不大于4VA; SS-62不大于6.6W。
·觸點容量:在電壓不超過250V,電流不超過5A,時間常數為5±0.75ms的直流有感負荷電路中,產品輸出觸點的斷開容量為50W。輸出觸點在上述規定的負荷條件下,產品能可靠動作及返回5x104次。輸出觸點長期允許接通電流為5A。
·介質強度:產品各導電端子連在一起 ,對外露的非帶電金屬部分或外殼之間,能承受2000V(有效值)50Hz的交流電壓歷時1分鐘試驗而無絕緣擊穿或閃絡現象。
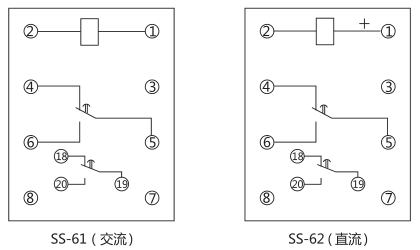
SS-61時間繼電器內部接線及外引接線圖(背視圖)

SS-61時間繼電器外形及開孔尺寸



時間繼電器系列
打印當前頁
發郵件給我們: 1932551438@qq.com
手機: 18930817953




